![]() |
| アセットマネジメントの手法を適用した維持管理計画 |
|
|

| 工夫を凝らした点検手法 |
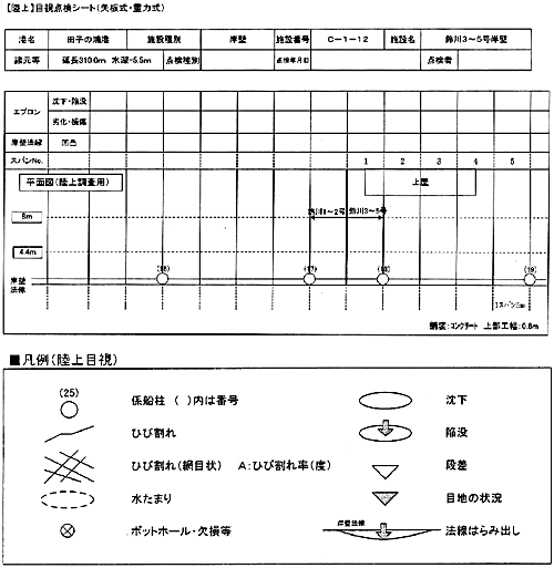
| 静岡県土木部では、土木施設長寿命化行動方針のとりまとめのために、国土政策総合研究所(以下、国総研)、(独)港湾空港技術研究所(以下、港空研)の助言等も得ながら、学識経験者を含めた検討委員会を設けて、議論が進められた。 実施初年度となる19年度は、現状把握のための点検・調査による基礎データの収集が作業の中心となる。データ収集には、港空研の仕様を基にオリジナルで作成した目視点検シートが使用される。シートは陸上・水上調査用の2種類。例えば、岸壁の場合は、1スパンを5m〜10m程度で区切り、重要港湾以上に付されている係船柱の番号を地方港湾にも付けて、状態の凡例を基に現場の形状を書き込むといった作業を軽減するための工夫が為されている。「試行錯誤の繰り返しでしたが、できるだけ現場での作業の負担を軽減するため、位置と状態だけを記入すればいい簡素なものにしました」(杉本氏)。 施設の状態を示す健全度評価については、国総研が示すa〜dの4段階評価で行い、機能低下など状態が思わしくない場合は、さらに細分化して全体の評価項目の中に組み入れている。ただし、静岡県土木部は、港湾以外の土木施設も所管するため、他の施設と評価方法を統一し、通常は最も悪い状態示すaをdとして逆にしている。 このような準備を進めながら、昨年6月には各事務所の職員を集めて、田子の浦港で実際に点検・調査を試験的に行っている。現実的な問題としては、現場の職員のスキル的な部分だ。点検は2人1組で、2人が同じ点検を行うこととしているが、同じ点検箇所で評価が分かれる場合も考えられる。その際は、現場を写真撮影して改めて評価を判断することになる。「できるだけ短期間で経験を積んでもらい評価のバラツキがないようにしていかなくてはいけません。また、実際に業務量が増えるわけですから、職員に対してこの業務の重要性についての意識の向上を図らなくてはいけません。周知徹底のためにも研修を行って対応する必要があると考えています」(杉本氏)と言う。 この点検・調査で得られたデータが、中長期管理計画を立案・策定する上での要となる。そのためにも、この2〜3年が今後の鍵を握る重要な期間といえる。当面は紙ベースの点検シートを使ったデータ収集を行うことになるため、集計作業もしばらくは手計算で行わざるを得ないが、例え紙ベースであっても点検・調査によってデータを積み重ねていくことを重視している。将来的には過去に行われた維持補修等のデータも統合し、システムを構築してデータベース化を進める予定だ。 中長期管理計画については、事前にバース毎に取扱貨物量等のデータがわかっている清水港、田子の浦港、御前崎港の3港をモデルケースに、最小のLCCを重ね合わせて試算を出している。試算では、単年度で初期投資約50億円の補修を行えば、以降、各施設ごと最適な維持補修サイクルで維持補修していくと仮定して50年後には累計約135億円かかると算出した。「実際にはこのようなことは不可能です。これを1年に2〜4億円程度に平準化した結果、累計約160億円と算出されました。単純合計ではより多く費用がかかりますが、試算としてはこれが一番順当な方法です」(杉本氏)。あくまでこれは試算に過ぎない。点検・調査の結果次第で、より具体的な計画を検討する必要もある。「県の予算要求も基本的にスキームの無いものは認められない状況です。計画についても、それを行うことでどのような効果があるか。そのアウトプットがないとなかなか予算が認められません」(杉山氏)。 「今」という時代は、「係留施設等ガイドライン」に則り「公共施設の有効利用と効率的運営」をこのように行いますという説明だけではコンセンサスは得られない。公共事業における社会的便益とは何かを問われる時代だ。港湾施設は他の公共土木施設と比べて直接的に効果が見える要素が少ない。やはり、予算=税金を投じて行うことから、この業務の意義を広く県民の理解を得るための努力を図る必要がある。そのため、HPなどを通じて情報を公開し、広く理解を求める地道な活動も行っている。 今後、収集するデータを基に立案する中長期管理計画の準備に入る。静岡県としては、技術基準省令の改正に先んじて取り組んできたところだが、「国や他の自治体での先進的な事例を積極的に吸収して、密度の高い計画にどんどんとバージョンアップをしていきたいと思っています」(杉山氏)。そのため、関連するマニュアルの発行や講習会の開催など、国等の関連機関の積極的な情報公開を望んでいる。 |
![]() |
| 目視点検シート(部分)。係船注に番号を付し、スパンを切っている。 目視により確認された状況を凡例を基に記入していく。 |
![]() |
![]() |
![]() |